International Scout Ii Wiring Diagram / Ac Wiring Diagram Scout Ii Wiring Diagrams Library : Volvo truck wiring diagrams pdf;. Fyi, left & right heads are interchangeable and service manuals are available from binder books, super scout specialists, anything scout as well as the rest of the light line parts suppliers, even international truck & engine. International harvester scout ii 1977 base for sale online | ebay. Ø has 16 input port, input interface more simple, port of wet and dry contact can be, wiring is simple, dry contact method for as long as the external connected to a physical switch to the wire can be, all 16 input port are nmotion mach3 usb cnc controller. 1974 international scout ii wiring diagram. We're the best source for complete clutch kits, custom wiring harnesses, and gas tanks.

We decide to explore this international scout ii wiring diagram pic on this page because according to information from google engine, it really is one of many best queries keyword on the internet. Ian breaks it down from layout, schematic diagrams, to actual wiring of our ih scout. By admin | october 21, 2017. International trucks service repair manuals pdf. Wiring a truck can be a daunting task.

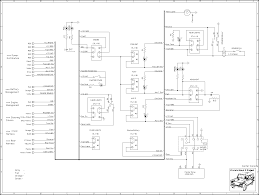
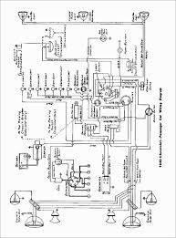
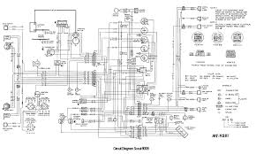
Diagram 1978 International Scout Ii Wiring Diagram Full Version Hd Quality Wiring Diagram 2wiringsavannah Lafabbricadegliingegneri It
Diagram 1978 International Scout Ii Wiring Diagram Full Version Hd Quality Wiring Diagram 2wiringsavannah Lafabbricadegliingegneri It from 2wiringsavannah.lafabbricadegliingegneri.it
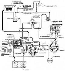
International trucks service repair manuals pdf. Air conditioning wiring diagram 16kb. Scout ii, traveler & travelall vacuum hose routing 83kb. Front light wiring harness diagram 19kb. We cooperate with globally renowned. Firing order or engine breakdown diagram? Ian breaks it down from layout, schematic diagrams, to actual wiring of our ih scout. Fyi, left & right heads are interchangeable and service manuals are available from binder books, super scout specialists, anything scout as well as the rest of the light line parts suppliers, even international truck & engine.

The has many of the same great features that the ignitor has, but it's smarter.

We're the best source for complete clutch kits, custom wiring harnesses, and gas tanks. See more ideas about international scout ii, international scout, scout. Documents similar to 1972_1973 scout ii with trailer wiring. L basic connection diagram (an overview). The diagram explains that the power source is coming in. Here's a '73 scout ii that served its owners well for nearly half a century before wearing out and retiring to this yard in denver. Fyi, left & right heads are interchangeable and service manuals are available from binder books, super scout specialists, anything scout as well as the rest of the light line parts suppliers, even international truck & engine. International trucks service repair manuals pdf. Which international scout should i buy: By admin | october 21, 2017. Influence of nox regulations on reduced sfoc. Ian breaks it down from layout, schematic diagrams, to actual wiring of our ih scout. Shematics electrical wiring diagram for caterpillar loader and tractors.

L basic connection diagram (an overview). International harvester replacement parts for light line scout 80, scout 800, & scout ii parts. Key details upgraded t20 transfer case. Fyi, left & right heads are interchangeable and service manuals are available from binder books, super scout specialists, anything scout as well as the rest of the light line parts suppliers, even international truck & engine. Wiring a truck can be a daunting task.

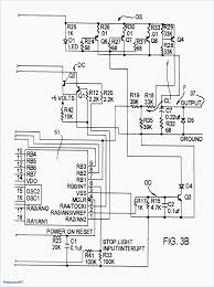
Point Ignition Wiring Diagram International Scout Wiring Diagram Cute Update B Cute Update B Prevention Medoc Fr
Point Ignition Wiring Diagram International Scout Wiring Diagram Cute Update B Cute Update B Prevention Medoc Fr from i.pinimg.com
Key details upgraded t20 transfer case. Technical information international scout wiring diagram d50 ih 2 library nr 3725 ii on 73 pickup 1bc45 574 circuit resources under dash harness custom made new for 75 f250 ford truck enthusiasts forums 581. We cooperate with globally renowned. Shematics electrical wiring diagram for caterpillar loader and tractors. Scout ii, traveler & travelall vacuum hose routing 83kb. Use of materials placed on this site is allowed only if. Air conditioning wiring diagram 16kb. Firing order or engine breakdown diagram?

Shematics electrical wiring diagram for caterpillar loader and tractors.

Wiring a truck can be a daunting task. Front light wiring harness diagram 19kb. We sell every international scout ii part for your repair or restoration. Which international scout should i buy: By admin | october 21, 2017. Use of materials placed on this site is allowed only if. The diagram explains that the power source is coming in. International scout ii gen 8 motorized toy car pdf manual download. Original 80/800 or scout ii? Units sense the coil in our store we offer performance ignition systems for your international scout to get the most out of your engine. We're the best source for complete clutch kits, custom wiring harnesses, and gas tanks. A wiring diagram is a visual representation of components and wires related to an electrical connection. We decide to explore this international scout ii wiring diagram pic on this page because according to information from google engine, it really is one of many best queries keyword on the internet.

New carb, fuel lines, fuel pump, pertronix electronic ignition upgrade, new champion copper plugs, beldon wires and fresh oil. The diagram explains that the power source is coming in. Трофи redcat (#rer11291) racing gen 8 international scout ii orange version 1/10 rtr 4wd scale rock crawler ep w/ 2.4ghz. L basic connection diagram (an overview). Volvo truck fault codes pdf;

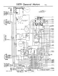
Diagram 1978 International 1700 Loadstar Wiring Diagram Full Version Hd Quality Wiring Diagram Aurorawiring1h Dancingnevada It
Diagram 1978 International 1700 Loadstar Wiring Diagram Full Version Hd Quality Wiring Diagram Aurorawiring1h Dancingnevada It from forums.ihpartsamerica.com
Volvo truck wiring diagrams pdf; Key details upgraded t20 transfer case. See more ideas about international scout ii, international scout, scout. Documents similar to 1972_1973 scout ii with trailer wiring. The international scouter's award encourages scouters to broaden their involvement in scouting through participation in world scouting activities and recognizes scouters for their contributions to world scouting. Ian breaks it down from layout, schematic diagrams, to actual wiring of our ih scout. International harvester scout ii 1977 base for sale online | ebay. Disassembly, media blasting, metal fabrication, upholstery, customization, wiring, paint, finishing.

The diagram explains that the power source is coming in.

International scout ii gen 8 motorized toy car pdf manual download. See more ideas about international scout ii, international scout, scout. Volvo truck wiring diagrams pdf. Original 80/800 or scout ii? Documents similar to 1972_1973 scout ii with trailer wiring. We sell every international scout ii part for your repair or restoration. Influence of nox regulations on reduced sfoc. We cooperate with globally renowned. Ian breaks it down from layout, schematic diagrams, to actual wiring of our ih scout. Disassembly, media blasting, metal fabrication, upholstery, customization, wiring, paint, finishing. International trucks service repair manuals pdf. And we also believe you came here were searching for this information, are not you? A wiring diagram is a visual representation of components and wires related to an electrical connection.

By