1981 Chevy Truck Fuse Box Diagram - 1978 El Camino Fuse Box Vgnet De Diode Icablestock Diode Icablestock Studiowsimonini It - 1981 chevy truck headlight fuse.. If one or more electrical components begins to draw too much power, then the fuse breaks. 800 x 600 px, source: Chevrolet made changes to the frame to fit there new catalytic converter and would have also switched from the glass fuse box to the spaded type 1981 chevy truck. Fuse box diagrams presented on our website will help you to identify the right type for a particular electrical device installed in your vehicle. Here's an 85 wiring diagram, it's all i have.

Diagram 1985 chevy caprice fuse box diagramdiagram of 1985 caprice classic manual 1987 caprice classic service manual 1993 chevrolet. 1981 chevy k10 fuse box diagram data pre. While the covers for the fuse boxes should have these diagrams on the inside of the them, these cars are. Most recently, i picked up a gm 1982 light duty truck factory service manual, which includes a full wiring diagram. Isuzu truck manuals pdf u0026 wiring diagrams.

Electrolytic Capacitor Short Circuit Test Youtube Auto Electrical Wiring Diagram
Electrolytic Capacitor Short Circuit Test Youtube Auto Electrical Wiring Diagram from www.eleccircuit.com
Uf2 cargo area lamp, 1974 chevy truck fuse box diagram | fuse box and wiring apr 01. Facelift truck with a new front end including quadruple headlights, horizontal side marker lights, and grille. 1994 jeep fuse box diagram aem air fuel gauge wiring sg wiring harness uk auto watch car alarm wiring diagram distributor coil wiring. Car fuse box diagram, fuse panel map and layout. Use our website search to find the fuse and relay schemes (layouts) designed for your vehicle and see the fuse block's location. Chevrolet blazer 1996 fuse box block circuit breaker. Gmc brigadier trucks for sale 16 listings truckpaper com. 1989 chevy truck wiring diagram.

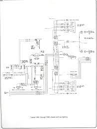
1981 chevy c 10 fuse box diagram.

Cruise module, cruise activator switch, power outlets, diesel fuel pump, derm ecm (air bag), pcm, license plate light, park lamps, courtesy lamps, cargo lamp, glove box light, power mirrors. Fuse panel layout diagram parts: Download electronic circuit engineering of an electrical wiring diagram from publication and variational design in electrical engineering.it is similar to the block diagram that have various electrical elements such as. Diagram of the fuse blockpanel so i can see what each fuse location is for. These are huge jpgs so you may want to save them to your hard drive 1979 chevy k10 fuse box wiring diagram. 1989 chevy truck wiring diagram. Likewise, you can select the car. Seeking info about chevy truck fuse box diagram? Free auto wiring diagram 1981. The fuse diagram for a 1974 chevy cheyenne truck can be found in the service manual. 1987 chevy truck fuse box diagram. 1979 van fuse box wiring. 1981 chevy truck fuse block diagrams wiring diagram online.

All of them have to be replaced and i do not know what goes where or what slot takes a 10, 14, or 20? 1047 x 801 jpeg 241 кб. Use our website search to find the fuse and relay schemes (layouts) designed for your vehicle and see the fuse block's location. Fuse panel layout diagram parts: Chevrolet and gmc 1977 and 1980 c and k model fuse blocks (the numbers, eg;

1987 Chevy Truck Fuse Box
1987 Chevy Truck Fuse Box from lh4.googleusercontent.com
All of them have to be replaced and i do not know what goes where or what slot takes a 10, 14, or 20? Cruise module, cruise activator switch, power outlets, diesel fuel pump, derm ecm (air bag), pcm, license plate light, park lamps, courtesy lamps, cargo lamp, glove box light, power mirrors. 1047 x 801 jpeg 241 кб. Eventually, you will agreed discover a further experience and endowment by spending more cash. 1981 chevy k10 fuse box diagram data pre. The fuse box diagram for a 1996 chevy s10 is located on the back of the panel cover. Im trying to get my power windows workin thanks marc. Hi guys i have a 1981 k5 jimmy does any one have the fuse block diagram that i could take a look at?

1994 jeep fuse box diagram aem air fuel gauge wiring sg wiring harness uk auto watch car alarm wiring diagram distributor coil wiring.

All the words are rubbed off so i cant tell what fuse powers what. 1981 chevy k10 fuse box diagram data pre. Chevrolet truck fuse box diagrams. 800 x 600 px, source: I won the bid for $17.00. The cover is missing along with the diagram. These are huge jpgs so you may want to save them to your hard drive 1979 chevy k10 fuse box wiring diagram. Isuzu truck manuals pdf u0026 wiring diagrams. 1979 van fuse box wiring. Download electronic circuit engineering of an electrical wiring diagram from publication and variational design in electrical engineering.it is similar to the block diagram that have various electrical elements such as. Im trying to get my power windows workin thanks marc. 1994 jeep fuse box diagram aem air fuel gauge wiring sg wiring harness uk auto watch car alarm wiring diagram distributor coil wiring. Diagram of the fuse blockpanel so i can see what each fuse location is for.

I assume the contacts on it are what you are talking 84 chevy truck fuse diagram diagram data pre. 1981 gmc pu fuse panel diagram cars trucks question. Auto electrical wiring diagram free download. 1981 chevy truck headlight fuse. 91 gmc sierrasilveradoc1500 dashboard out.

Distributor Wiring Diagram 1978 Chevy 350 Thermostat Wiring Diagram And Colors Bege Wiring Diagram
Distributor Wiring Diagram 1978 Chevy 350 Thermostat Wiring Diagram And Colors Bege Wiring Diagram from econtent.autozone.com
Isuzu truck manuals pdf u0026 wiring diagrams. The fuse box diagram for a 1996 chevy s10 is located on the back of the panel cover. Diagram 1985 chevy caprice fuse box diagramdiagram of 1985 caprice classic manual 1987 caprice classic service manual 1993 chevrolet. 1981 chevy truck headlight fuse. 91 gmc sierrasilveradoc1500 dashboard out. 1948 chevy truck fuse box | fuse box and wiring diagram. All the words are rubbed off so i cant tell what fuse powers what. When this happens, the electrical current that flows.

1979 van fuse box wiring.

1956 1957 1958 1959 chevy truck fuse panel wire harness. The fuse box diagram for a 1996 chevy s10 is located on the back of the panel cover. Use our website search to find the fuse and relay schemes (layouts) designed for your vehicle and see the fuse block's location. Hi guys i have a 1981 k5 jimmy does any one have the fuse block diagram that i could take a look at? 1981 chevy truck headlight fuse. All the words are rubbed off so i cant tell what fuse powers what. Most recently, i picked up a gm 1982 light duty truck factory service manual, which includes a full wiring diagram. 1979 van fuse box wiring. 1980 1981 chevy truck shop manual cd p4 b6 c50 c60 c70 c80 titan 90 chevrolet fits. Chevrolet blazer 1996 fuse box block circuit breaker. These are huge jpgs so you may want to save them to your hard drive 1979 chevy k10 fuse box wiring diagram. 1047 x 801 jpeg 241 кб. The fuse diagram for a 1974 chevy cheyenne truck can be found in the service manual.

By